Продажа ЖБИ в Москве и Московской области
+7 (495) 118-92-43
Ежедневно: 8:00 - 21:00
0 0

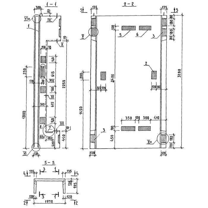
Шахта лифтовая БШЛ 63б-42-5 б

Yandex.Market
  • В наличии 171 шт
    В среднем на нашем предприятии производится от 100 до 500 ЖБИ изделий в день.
  • Контроль качества на каждом этапе
    Строгое соблюдение пропорций ЖБИ изделий на предприятии является для нас очень важным аспектом.
  • Производство от 1 дня
Цена за:
28605 ₽

Шахта лифтовая БШЛ 63б-42-5 б предназначена для установки в лифтовых шахтах для обеспечения безопасности и надежности работы лифтов. Изготовлена из высококачественного железобетона, что обеспечивает прочность и долговечность конструкции. Шахта имеет стандартные размеры и габариты, что позволяет легко устанавливать ее в различных типах лифтов.

Шахта лифтовая БШЛ 63б-42-5 б идеально подходит для использования в жилых и офисных зданиях, торговых центрах, административных зданиях и других объектах с лифтовыми системами. Этот продукт обеспечивает безопасность и надежность работы лифтов, что делает его незаменимым элементом в современных зданиях.

Объём, м3 2.170
Масса, т 5.42
ГОСТ Серия 1.089.1-1
Категория Шахты лифтовые
Единица измерения шт.
Ширина, мм 1100
Высота, мм 4180
Длина, мм 2970
Способ доставки MAX длина груза, м Стоимость доставки
Машина - до 1,5 тн до 18 м3 4 от 2 200 ₽
Машина - до 2,5 тн до 32 м3 6 от 3 000 ₽
Машина - до 5 тн до 35 м3 6 от 4 000 ₽
Машина - до 10 тн до 37 м3 8 от 6 000 ₽
Машина - до 20 тн до 80 м3 13,5 от 10 500 ₽
Манипулятор до 5 тн 6 от 7 000 ₽
Манипулятор до 10 тн 8 от 13 000 ₽
Манипулятор до 20 тн 14 от 16 000 ₽
Наименование Характеристики Цена
Шахта лифтовая ШЛГП 100п-16-120

Длина, мм : 2120

Ширина, мм : 2820

Высота, мм : 1560

21 085
Шахта лифтовая ШЛГ 50п-17

Длина, мм : 1930

Ширина, мм : 1830

Высота, мм : 1490

20 685
Шахта лифтовая ШЛГ 50п-11

Длина, мм : 1930

Ширина, мм : 1830

Высота, мм : 890

14 890
Шахта лифтовая ШЛГ 50л-33-1

Длина, мм : 1930

Ширина, мм : 1830

Высота, мм : 3290

26 360
Шахта лифтовая ШЛГ 50п-33-1

Длина, мм : 1930

Ширина, мм : 1830

Высота, мм : 3290

26 360
Шахта лифтовая ШЛБ 50п-14

Длина, мм : 2930

Ширина, мм : 2180

Высота, мм : 1350

24 730
Шахта лифтовая ШЛП 40п-3

Длина, мм : 1800

Ширина, мм : 1950

Высота, мм : 290

2 900
Шахта лифтовая ШЛП 40п-28-2

Длина, мм : 1800

Ширина, мм : 1950

Высота, мм : 2970

28 995
Шахта лифтовая ШЛП 63с-13

Длина, мм : 1970

Ширина, мм : 2820

Высота, мм : 1260

24 220
Шахта лифтовая ШЛП 40С-30

Длина, мм : 1950

Ширина, мм : 1800

Высота, мм : 2990

26 860
Шахта лифтовая ШЛП 63п-13

Длина, мм : 2820

Ширина, мм : 2120

Высота, мм : 1260

25 350
Шахта лифтовая ШЛП 40п-13

Длина, мм : 1800

Ширина, мм : 1950

Высота, мм : 1260

17 400
Шахта лифтовая ШЛП 40с-5-120

Длина, мм : 1820

Ширина, мм : 1970

Высота, мм : 490

5 400
Шахта лифтовая ШЛП 40п-5

Длина, мм : 1950

Ширина, мм : 1800

Высота, мм : 490

5 275
Шахта лифтовая ШЛП 63П-30

Длина, мм : 2100

Ширина, мм : 2800

Высота, мм : 2990

37 695
Шахта лифтовая ШЛС 28-63а

Длина, мм : 1730

Ширина, мм : 2680

Высота, мм : 2780

30 055
Шахта лифтовая ШЛС 28пр-63

Длина, мм : 2580

Ширина, мм : 1880

Высота, мм : 2780

31 105
Шахта лифтовая ШЛН 50-15

Длина, мм : 2860

Ширина, мм : 1905

Высота, мм : 1470

36 645
Шахта лифтовая ШЛС 30-32

Длина, мм : 1730

Ширина, мм : 1580

Высота, мм : 2980

24 100
Шахта лифтовая ШЛС 30пр-32

Длина, мм : 1580

Ширина, мм : 1730

Высота, мм : 2980

24 100
Шахта лифтовая ШЛН 14-63а

Длина, мм : 1730

Ширина, мм : 2680

Высота, мм : 1400

16 865
Шахта лифтовая ШЛС 28-32

Длина, мм : 1730

Ширина, мм : 1580

Высота, мм : 2780

22 590
Плита лифта ПП 19.18-п

Длина, мм : 1950

Ширина, мм : 1800

Высота, мм : 200

9 220
Плита лифта ПГП 21.29-4

Длина, мм : 2070

Ширина, мм : 2870

Высота, мм : 200

15 680
Плита лифта П 29.19-3

Длина, мм : 2920

Ширина, мм : 1970

Высота, мм : 200

15 155
Плита лифта ПП 18.19-с

Длина, мм : 1820

Ширина, мм : 1970

Высота, мм : 200

9 485
Плита лифта ПЛ 29-19-50

Длина, мм : 2880

Ширина, мм : 1930

Высота, мм : 200

14 490
Плита лифта П 18.19-2с

Длина, мм : 1800

Ширина, мм : 1950

Высота, мм : 120

5 275
Шахта лифтовая ТЛ 5-32

Длина, мм : 250

Ширина, мм : 250

Высота, мм : 520

420
Шахта лифтовая ТЛ 4-50

Длина, мм : 250

Ширина, мм : 250

Высота, мм : 425

1 050
Шахта лифтовая ТЛ 4-32

Длина, мм : 250

Ширина, мм : 250

Высота, мм : 425

370
Блок шахты лифта бетонный БШЛ 50Гр-36-4

Длина, мм : 1970

Ширина, мм : 925

Высота, мм : 3580

16 215
Блок шахты лифта бетонный БШЛ 100-30 п-4 б

Длина, мм : 2820

Ширина, мм : 1050

Высота, мм : 2980

13 180
БШЛ 100-33 п-1

Длина, мм : 2820

Ширина, мм : 1050

Высота, мм : 3280

21 710
Блок шахты лифта бетонный БШЛ 100-12 п-3

Длина, мм : 2820

Ширина, мм : 1050

Высота, мм : 1180

8 960
Блок шахты лифта бетонный БШЛ 100-12 п-5 б

Длина, мм : 2820

Ширина, мм : 1050

Высота, мм : 1180

8 960
БШЛ 100Гр-30-4

Длина, мм : 2470

Ширина, мм : 1175

Высота, мм : 2980

21 080
Блок шахты лифта бетонный БШЛ 100Гр-33-4

Длина, мм : 2470

Ширина, мм : 1175

Высота, мм : 3280

17 790
Блок шахты лифта бетонный БШЛ 50-12-1

Длина, мм : 2270

Ширина, мм : 1000

Высота, мм : 1180

7 770
БШЛ 50-42-1

Длина, мм : 2270

Ширина, мм : 1000

Высота, мм : 4180

24 600
Блок шахты лифта бетонный БШЛ 100-42-2

Длина, мм : 2420

Ширина, мм : 1250

Высота, мм : 4180

29 915
БШЛ 100-36 п-2

Длина, мм : 2820

Ширина, мм : 1050

Высота, мм : 3580

23 850
Никита Ильин
20.01.2025
Доставили вовремя, блоки ровные, без сколов. Монтаж прошёл без нареканий, ребята на участке хвалят.
Александр Шубин
20.01.2025
Тут нашлись все необходимые размеры, что очень упростило жизнь. Ребята выручили по срокам, задержек не было. Качество, в принципе, неплохое: арматура норм, плиты без трещин
Даниил Макаров
09.01.2025
У нас был крупный заказ на спортивный объект, требовались балки повышенной несущей способности. Здесь без проблем подобрали нужный класс бетона. Вопреки страхам, удалось уложиться в бюджет.
Данила Жданов
14.01.2025
Строим крупную автостоянку, требовались дорожные плиты с высоким запасом прочности. Тут нашли нужную марку, цена устроила. Доставили оперативно, разгрузка без проблем. Плиты ровные, стыкуются плотно, так что надеюсь прослужат долго
Гарантия качества
Заменим дефектный материал или вернём деньги
Условия возврата
Доставка и самовывоз
Вы можете заказать доставку по МСК и МО или оформить самовывоз с нашего склада в Москве
Условия доставки и самовывоза
Оптово и розничная продажа
Мы продаём товары как в розницу, так и оптом. В зависимости от объёмов заказа мы предоставляем клиентам персональные скидки

Выберите удобный способ оплаты

Оплата банковской картой
Наличными на объекте
Безналичный расчёт

Адреса

Режим работы складов: 8:00 - 21:00
Офис:
Москва, Акуловская улица, 2А
График работы офиса:
Ежедневно: 8:00 - 21:00
Номер телефона контактного центра:
+7 (495) 118-92-43
Почта для связи:
stroym@zbi-500.ru