Продажа ЖБИ в Москве и Московской области
+7 (495) 118-92-43
Ежедневно: 8:00 - 21:00
0 0

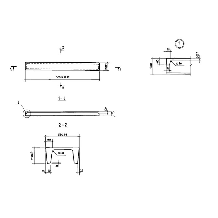
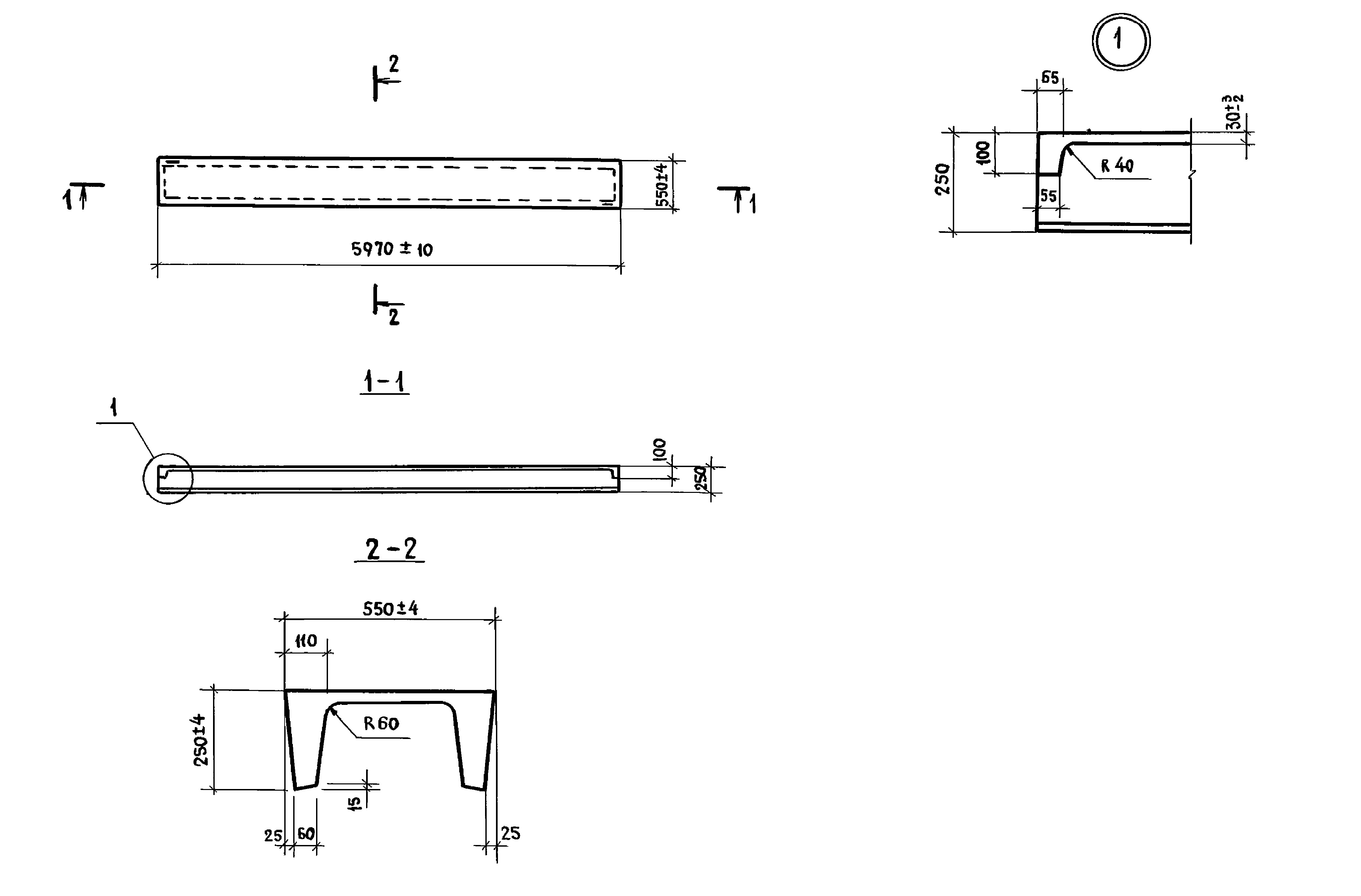
Плита перекрытия 3ПДС6-1

Yandex.Market
  • В наличии 154 шт
    В среднем на нашем предприятии производится от 100 до 500 ЖБИ изделий в день.
  • Контроль качества на каждом этапе
    Строгое соблюдение пропорций ЖБИ изделий на предприятии является для нас очень важным аспектом.
  • Производство от 1 дня
Цена за:
1975 ₽

Плита перекрытия 3ПДС6-1 представляет собой железобетонное изделие, предназначенное для использования в строительстве зданий и сооружений. Она имеет прочную железобетонную конструкцию, способную выдерживать значительные нагрузки. Плита обладает гладкой поверхностью и ровными краями, что обеспечивает легкость монтажа и обеспечивает эстетичный внешний вид.

Плита перекрытия 3ПДС6-1 широко используется в строительстве жилых, коммерческих и промышленных зданий. Она применяется для создания перекрытий между этажами, обеспечивая прочную и надежную основу для дальнейшего строительства. Плиты перекрытия также могут использоваться в качестве кровли или навеса, обеспечивая защиту от внешних воздействий и сохраняя тепло внутри здания. Благодаря своей прочности и долговечности, плиты перекрытия 3ПДС6-1 являются незаменимым элементом при строительстве различных типов зданий.

Объём, м3 0.29
Масса, т 0.725
ГОСТ Серия 1.865.1-4/89
Стандарт ГОСТ
Маркировка 3ПДС6-1
Категория Плиты перекрытий ПДС
Единица измерения шт.
Ширина, мм 260
Высота, мм 250
Длина, мм 5970
Максимальная норма загрузки 10
Масса, кг 725
Способ доставки MAX длина груза, м Стоимость доставки
Машина - до 1,5 тн до 18 м3 4 от 2 200 ₽
Машина - до 2,5 тн до 32 м3 6 от 3 000 ₽
Машина - до 5 тн до 35 м3 6 от 4 000 ₽
Машина - до 10 тн до 37 м3 8 от 6 000 ₽
Машина - до 20 тн до 80 м3 13,5 от 10 500 ₽
Манипулятор до 5 тн 6 от 7 000 ₽
Манипулятор до 10 тн 8 от 13 000 ₽
Манипулятор до 20 тн 14 от 16 000 ₽
Наименование Характеристики Цена
Плита перекрытия 3ПДС6-3

Маркировка : 3ПДС6-3

Длина, мм : 5970

Ширина, мм : 260

Высота, мм : 250

1 975
Плита перекрытия 2ПДС6-1

Маркировка : 2ПДС6-1

Длина, мм : 5970

Ширина, мм : 440

Высота, мм : 250

2 115
Плита перекрытия 2ПДС6-3

Маркировка : 2ПДС6-3

Длина, мм : 5970

Ширина, мм : 440

Высота, мм : 250

2 115
Плита перекрытия 1ПДС6-1

Маркировка : 1ПДС6-1

Длина, мм : 5970

Ширина, мм : 550

Высота, мм : 250

5 600
Плита перекрытия 3ПДС6-1

Маркировка : 3ПДС6-1

Длина, мм : 5970

Ширина, мм : 260

Высота, мм : 250

1 975
Плита перекрытия 2ПДС6-2

Маркировка : 2ПДС6-2

Длина, мм : 5970

Ширина, мм : 440

Высота, мм : 250

2 115
Плита перекрытия 1ПДС6-2

Маркировка : 1ПДС6-2

Длина, мм : 5970

Ширина, мм : 550

Высота, мм : 250

2 250
Плита перекрытия 1ПДС6-3

Маркировка : 1ПДС6-3

Длина, мм : 5970

Ширина, мм : 550

Высота, мм : 250

2 250
Плита перекрытия 3ПДС6-2

Маркировка : 3ПДС6-2

Длина, мм : 5970

Ширина, мм : 260

Высота, мм : 250

1 975
Никита Ильин
20.01.2025
Доставили вовремя, блоки ровные, без сколов. Монтаж прошёл без нареканий, ребята на участке хвалят.
Александр Шубин
20.01.2025
Тут нашлись все необходимые размеры, что очень упростило жизнь. Ребята выручили по срокам, задержек не было. Качество, в принципе, неплохое: арматура норм, плиты без трещин
Даниил Макаров
09.01.2025
У нас был крупный заказ на спортивный объект, требовались балки повышенной несущей способности. Здесь без проблем подобрали нужный класс бетона. Вопреки страхам, удалось уложиться в бюджет.
Данила Жданов
14.01.2025
Строим крупную автостоянку, требовались дорожные плиты с высоким запасом прочности. Тут нашли нужную марку, цена устроила. Доставили оперативно, разгрузка без проблем. Плиты ровные, стыкуются плотно, так что надеюсь прослужат долго
Гарантия качества
Заменим дефектный материал или вернём деньги
Условия возврата
Доставка и самовывоз
Вы можете заказать доставку по МСК и МО или оформить самовывоз с нашего склада в Москве
Условия доставки и самовывоза
Оптово и розничная продажа
Мы продаём товары как в розницу, так и оптом. В зависимости от объёмов заказа мы предоставляем клиентам персональные скидки

Выберите удобный способ оплаты

Оплата банковской картой
Наличными на объекте
Безналичный расчёт

Адреса

Режим работы складов: 8:00 - 21:00
Офис:
Москва, Акуловская улица, 2А
График работы офиса:
Ежедневно: 8:00 - 21:00
Номер телефона контактного центра:
+7 (495) 118-92-43
Почта для связи:
stroym@zbi-500.ru