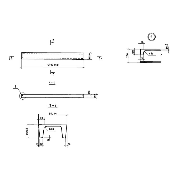
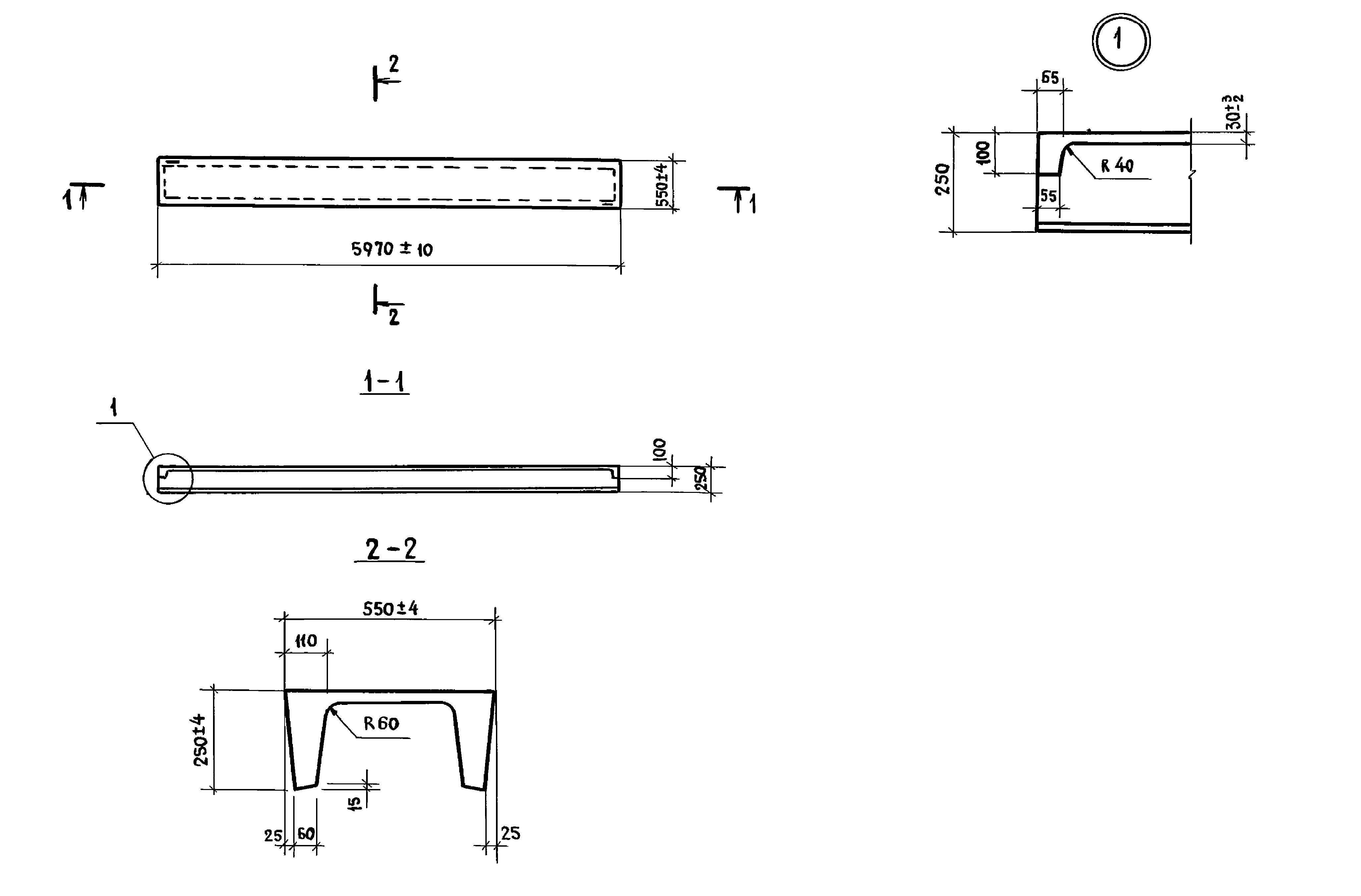
Плита перекрытия 2ПДС6-3 представляет собой железобетонное изделие, предназначенное для использования в строительстве зданий и сооружений. Она имеет габаритные размеры 6000x2000x220 мм и вес около 3 тонн. Плита обладает высокой прочностью и устойчивостью к различным нагрузкам, что делает ее идеальным выбором для создания перекрытий на различных уровнях здания.
Плита перекрытия 2ПДС6-3 широко используется в строительстве жилых, коммерческих и промышленных зданий. Она подходит для создания перекрытий как в многоэтажных зданиях, так и в одноэтажных постройках. Плиты данного типа могут использоваться как для строительства новых зданий, так и для реконструкции и ремонта существующих сооружений. Благодаря своей прочности и долговечности, плиты перекрытия 2ПДС6-3 обеспечивают надежную защиту от различных внешних воздействий и обеспечивают долгий срок службы конструкции.
