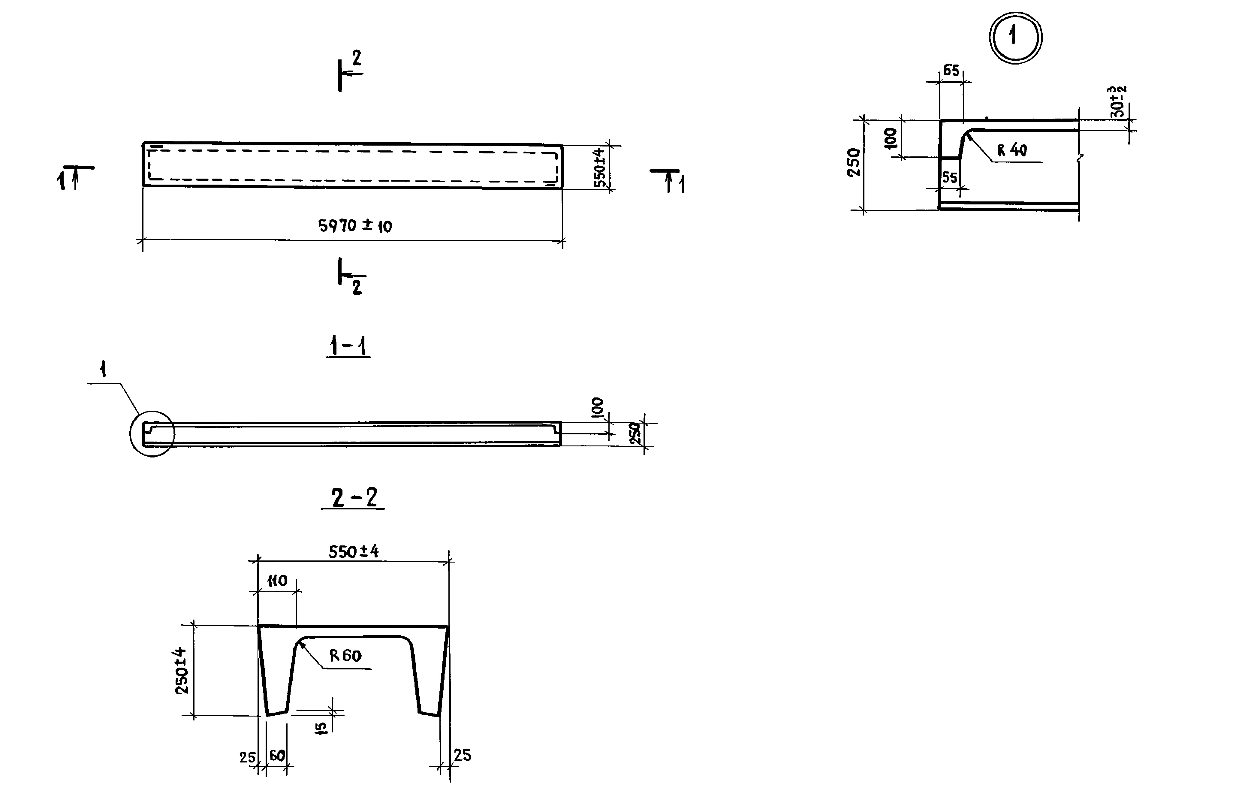
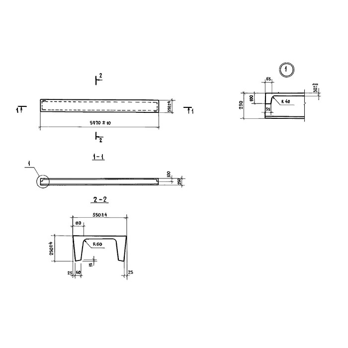
Плита перекрытия 2ПДС6-2 представляет собой железобетонное изделие, используемое для создания перекрытий в зданиях. Она имеет прочную железобетонную конструкцию, способную выдерживать значительные нагрузки. Плита обладает гладкой поверхностью и ровными краями, что обеспечивает легкость укладки и обеспечивает эстетичный внешний вид.
Плита перекрытия 2ПДС6-2 широко используется в строительстве жилых, коммерческих и промышленных зданий. Она применяется для создания перекрытий между этажами, обеспечивая прочную и надежную основу для дальнейшего строительства. Плиты перекрытия также могут использоваться в качестве кровли для навесов и других построек. Благодаря своей прочности и долговечности, плиты перекрытия 2ПДС6-2 являются незаменимым элементом при возведении зданий любого типа.
