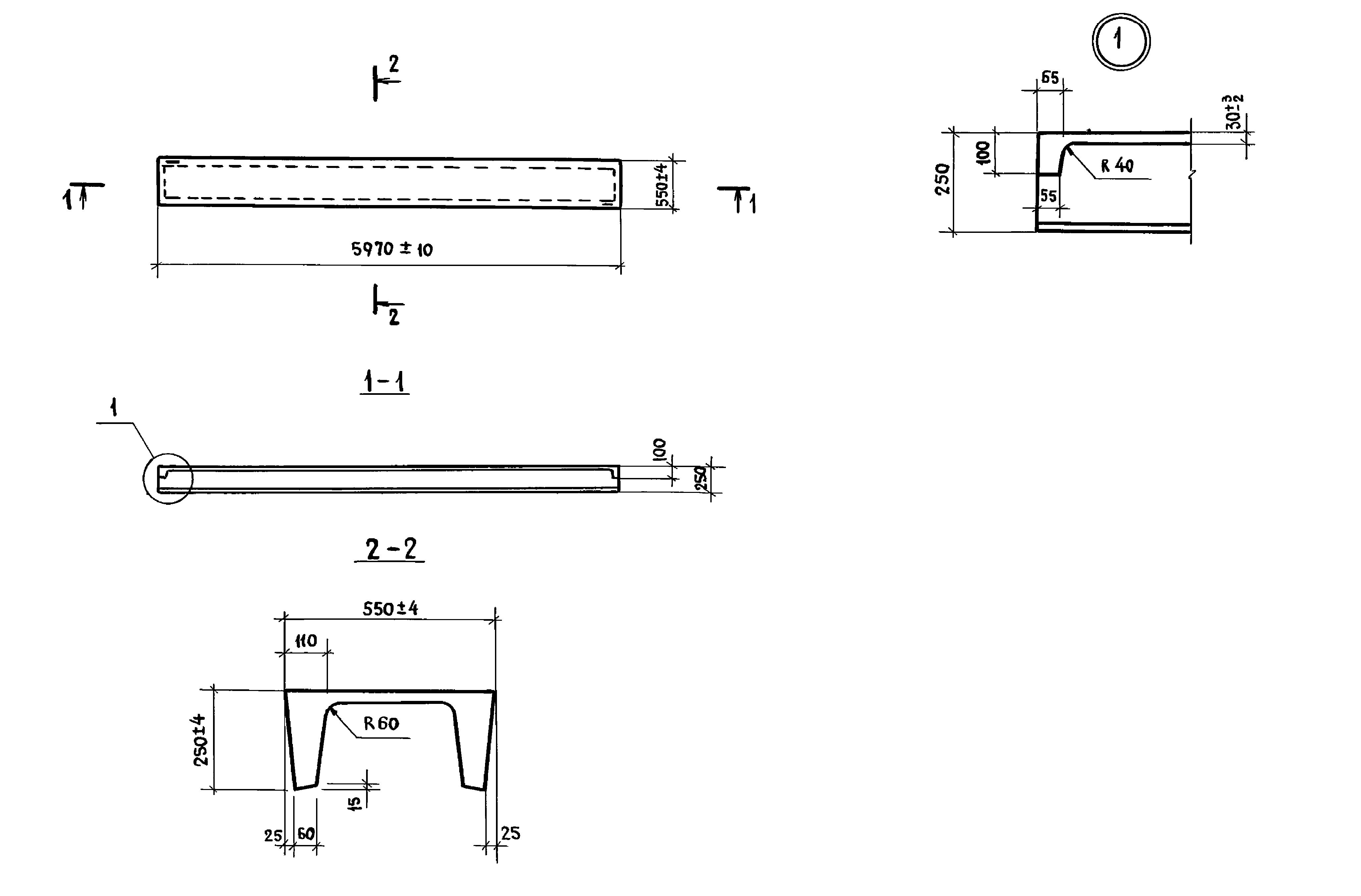
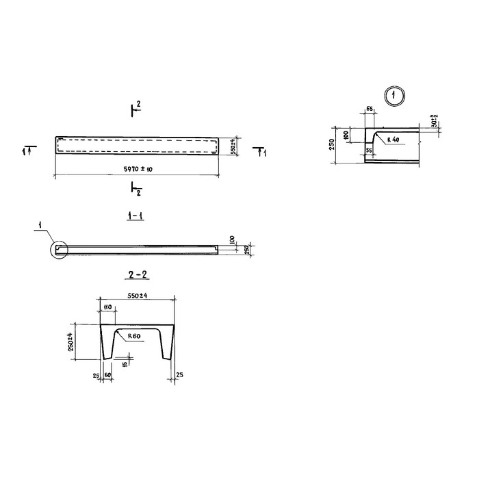
Плита перекрытия 1ПДС6-2 представляет собой железобетонное изделие, предназначенное для использования в строительстве зданий и сооружений. Она имеет габаритные размеры и определенную несущую способность, что позволяет использовать ее для создания перекрытий на различных этажах здания.
Плита перекрытия 1ПДС6-2 широко применяется в строительстве жилых, административных и промышленных зданий. Она может использоваться как для строительства новых зданий, так и для реконструкции и модернизации существующих. Плиты перекрытия обеспечивают прочность и надежность конструкции здания, а также позволяют создать комфортные условия для проживания или работы.
