Продажа ЖБИ в Москве и Московской области
+7 (495) 118-92-43
Ежедневно: 8:00 - 21:00
0 0

Колонна железобетонная 9к 144-24

Yandex.Market
  • В наличии 148 шт
    В среднем на нашем предприятии производится от 100 до 500 ЖБИ изделий в день.
  • Контроль качества на каждом этапе
    Строгое соблюдение пропорций ЖБИ изделий на предприятии является для нас очень важным аспектом.
  • Производство от 1 дня
Цена за:
103740 ₽

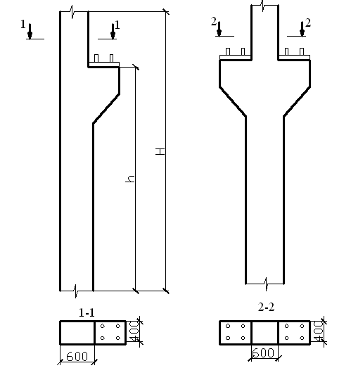
Колонна железобетонная 9к 144-24 представляет собой железобетонное изделие, выполненное по ГОСТу 31360-2007. Она имеет размеры 144x144 мм и высоту 2400 мм. Колонна предназначена для использования в строительстве зданий и сооружений, где требуется надежная опора и поддержка. Изделие изготовлено из высококачественного железобетона, что обеспечивает его прочность и долговечность. Колонна имеет гладкую поверхность и ровные края, что облегчает ее монтаж и обеспечивает эстетичный внешний вид.

Колонна железобетонная 9к 144-24 применяется в строительстве как несущий элемент для создания опорных конструкций, перекрытий, фундаментов и других элементов зданий и сооружений. Она идеально подходит для использования в жилых, коммерческих и промышленных объектах, где требуется надежная и прочная опора. Колонна обладает высокой устойчивостью к воздействию внешних нагрузок и агрессивной среды, что делает ее идеальным выбором для различных строительных проектов.

Категория Колонны Серия 1.424.1-5
Ширина, мм 900
Объём, м3 5.520
Масса, т 13.8
Высота, мм 400
Длина, мм 15600
ГОСТ Серия 1.424.1-5
Единица измерения шт.
Способ доставки MAX длина груза, м Стоимость доставки
Машина - до 1,5 тн до 18 м3 4 от 2 200 ₽
Машина - до 2,5 тн до 32 м3 6 от 3 000 ₽
Машина - до 5 тн до 35 м3 6 от 4 000 ₽
Машина - до 10 тн до 37 м3 8 от 6 000 ₽
Машина - до 20 тн до 80 м3 13,5 от 10 500 ₽
Манипулятор до 5 тн 6 от 7 000 ₽
Манипулятор до 10 тн 8 от 13 000 ₽
Манипулятор до 20 тн 14 от 16 000 ₽
Наименование Характеристики Цена
Колонна железобетонная 9к 144-13

Длина, мм : 15600

Ширина, мм : 900

Высота, мм : 400

103 740
Колонна железобетонная 8к 144-23

Длина, мм : 15600

Ширина, мм : 900

Высота, мм : 400

105 255
Колонна железобетонная 7к 84-2

Длина, мм : 9450

Ширина, мм : 700

Высота, мм : 400

57 135
Колонна железобетонная 7к 144-22

Длина, мм : 15000

Ширина, мм : 900

Высота, мм : 400

101 495
Колонна железобетонная 7к 144-18

Длина, мм : 15000

Ширина, мм : 900

Высота, мм : 400

101 495
Колонна железобетонная 7к 144-17

Длина, мм : 15000

Ширина, мм : 900

Высота, мм : 400

101 495
Колонна железобетонная 7к 132-15

Длина, мм : 13800

Ширина, мм : 900

Высота, мм : 400

93 975
Колонна железобетонная 7к 132-12

Длина, мм : 13800

Ширина, мм : 900

Высота, мм : 400

93 975
Колонна железобетонная 6к 84-2

Длина, мм : 9300

Ширина, мм : 600

Высота, мм : 400

52 620
Колонна железобетонная 6к 132-12

Длина, мм : 13800

Ширина, мм : 900

Высота, мм : 400

93 975
Колонна железобетонная 5к 144-29

Длина, мм : 15600

Ширина, мм : 900

Высота, мм : 400

97 735
Колонна железобетонная 2к 144-14

Длина, мм : 15450

Ширина, мм : 800

Высота, мм : 400

81 190
Колонна железобетонная 2к 144-13

Длина, мм : 15450

Ширина, мм : 800

Высота, мм : 400

81 190
Колонна железобетонная 2к 144-12

Длина, мм : 15450

Ширина, мм : 800

Высота, мм : 400

81 190
Колонна железобетонная 10к 108-8

Длина, мм : 11850

Ширина, мм : 700

Высота, мм : 400

69 165
Колонна железобетонная 10к 108-10

Длина, мм : 11850

Ширина, мм : 700

Высота, мм : 400

69 165
Колонна железобетонная 10к 108-1

Длина, мм : 11850

Ширина, мм : 700

Высота, мм : 400

69 165
Колонна железобетонная 5к 84-1

Длина, мм : 9300

Ширина, мм : 600

Высота, мм : 400

52 620
Колонна железобетонная 9к 144-24

Длина, мм : 15600

Ширина, мм : 900

Высота, мм : 400

103 740
Колонна железобетонная 9к 144-20

Длина, мм : 15600

Ширина, мм : 900

Высота, мм : 400

103 740
Колонна железобетонная 9к 144-3

Длина, мм : 15600

Ширина, мм : 900

Высота, мм : 400

103 740
Колонна железобетонная 8к 144-42

Длина, мм : 15600

Ширина, мм : 900

Высота, мм : 400

105 255
Колонна железобетонная 8к 144-39

Длина, мм : 15600

Ширина, мм : 900

Высота, мм : 400

105 255
Колонна железобетонная 8к 144-28

Длина, мм : 15600

Ширина, мм : 900

Высота, мм : 400

105 255
Колонна железобетонная 8к 144-18

Длина, мм : 15600

Ширина, мм : 900

Высота, мм : 400

105 255
Колонна железобетонная 8к 144-22

Длина, мм : 15600

Ширина, мм : 900

Высота, мм : 400

105 255
Колонна железобетонная 8к 144-15

Длина, мм : 15600

Ширина, мм : 900

Высота, мм : 400

105 255
Колонна железобетонная 8к 144-16

Длина, мм : 15600

Ширина, мм : 900

Высота, мм : 400

105 255
Колонна железобетонная 8к 144-10

Длина, мм : 15600

Ширина, мм : 900

Высота, мм : 400

105 255
Колонна железобетонная 8к 144-8

Длина, мм : 15600

Ширина, мм : 900

Высота, мм : 400

105 255
Колонна железобетонная 8к 144-5

Длина, мм : 15600

Ширина, мм : 900

Высота, мм : 400

105 255
Колонна железобетонная 5к 144-33

Длина, мм : 15600

Ширина, мм : 900

Высота, мм : 400

97 735
Колонна железобетонная 5к 144-19

Длина, мм : 15600

Ширина, мм : 900

Высота, мм : 400

93 975
Колонна железобетонная 5к 144-11

Длина, мм : 15600

Ширина, мм : 900

Высота, мм : 400

97 735
Колонна железобетонная 5к 144-5

Длина, мм : 15600

Ширина, мм : 900

Высота, мм : 400

97 735
Колонна железобетонная 4к 144-3

Длина, мм : 15600

Ширина, мм : 900

Высота, мм : 400

99 240
Колонна железобетонная 1к 144-8

Длина, мм : 15450

Ширина, мм : 800

Высота, мм : 400

83 445
Колонна железобетонная 1к 144-7

Длина, мм : 15450

Ширина, мм : 800

Высота, мм : 400

83 445
Колонна железобетонная 1к 144-4

Длина, мм : 15450

Ширина, мм : 800

Высота, мм : 400

83 445
Колонна железобетонная 9к 132-39

Длина, мм : 14400

Ширина, мм : 900

Высота, мм : 400

95 480
Колонна железобетонная 9к 132-29

Длина, мм : 14400

Ширина, мм : 900

Высота, мм : 400

95 480
Колонна железобетонная 9к 132-27

Длина, мм : 14400

Ширина, мм : 900

Высота, мм : 400

95 480
Никита Ильин
20.01.2025
Доставили вовремя, блоки ровные, без сколов. Монтаж прошёл без нареканий, ребята на участке хвалят.
Александр Шубин
20.01.2025
Тут нашлись все необходимые размеры, что очень упростило жизнь. Ребята выручили по срокам, задержек не было. Качество, в принципе, неплохое: арматура норм, плиты без трещин
Даниил Макаров
09.01.2025
У нас был крупный заказ на спортивный объект, требовались балки повышенной несущей способности. Здесь без проблем подобрали нужный класс бетона. Вопреки страхам, удалось уложиться в бюджет.
Данила Жданов
14.01.2025
Строим крупную автостоянку, требовались дорожные плиты с высоким запасом прочности. Тут нашли нужную марку, цена устроила. Доставили оперативно, разгрузка без проблем. Плиты ровные, стыкуются плотно, так что надеюсь прослужат долго
Андрей Семенов
20.12.2024
Заказывали дорожные плиты 2П 30-18-30 ТУ. Благодарю за быструю доставку и максимально ответственный подход к заказу в целом. Все устроило.
Гарантия качества
Заменим дефектный материал или вернём деньги
Условия возврата
Доставка и самовывоз
Вы можете заказать доставку по МСК и МО или оформить самовывоз с нашего склада в Москве
Условия доставки и самовывоза
Оптово и розничная продажа
Мы продаём товары как в розницу, так и оптом. В зависимости от объёмов заказа мы предоставляем клиентам персональные скидки

Выберите удобный способ оплаты

Оплата банковской картой
Наличными на объекте
Безналичный расчёт

Адреса

Режим работы складов: 8:00 - 21:00
Офис:
Москва, Акуловская улица, 2А
График работы офиса:
Ежедневно: 8:00 - 21:00
Номер телефона контактного центра:
+7 (495) 118-92-43
Почта для связи:
stroym@zbi-500.ru