Продажа ЖБИ в Москве и Московской области
+7 (495) 118-92-43
Ежедневно: 8:00 - 21:00
0 0

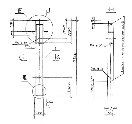
Колонна железобетонная 2КО 5-60(60)-2

Yandex.Market
  • В наличии 174 шт
    В среднем на нашем предприятии производится от 100 до 500 ЖБИ изделий в день.
  • Контроль качества на каждом этапе
    Строгое соблюдение пропорций ЖБИ изделий на предприятии является для нас очень важным аспектом.
  • Производство от 1 дня
48860 ₽

Колонна железобетонная 2КО 5-60(60)-2 из серии 1.420.1-32 представляет собой надежное и прочное строительное изделие, предназначенное для использования в строительстве различных сооружений. Колонна имеет высоту 5 метров, диаметр в верхней части 60 см, в нижней части 60 см и толщину стенки 2 см. Изготовлена из качественного железобетона, что обеспечивает ей долгий срок службы и высокую надежность.

Колонна железобетонная 2КО 5-60(60)-2 идеально подходит для использования в строительстве жилых домов, промышленных зданий, складов, а также других сооружений. Ее прочная конструкция и устойчивость к воздействию внешних факторов делают ее отличным выбором для создания надежных и долговечных строительных конструкций. Колонна легко монтируется и обладает высокой устойчивостью к нагрузкам, что делает ее идеальным решением для различных строительных проектов.

Категория Колонны серия 1.420.1-32
Ширина, мм 500
Объём, м3 2.600
Масса, т 45388
Высота, мм 400
Длина, мм 12900
ГОСТ Серия 1.420.1-32
Способ доставки MAX длина груза, м Стоимость доставки
Машина - до 1,5 тн до 18 м3 4 от 2 200 ₽
Машина - до 2,5 тн до 32 м3 6 от 3 000 ₽
Машина - до 5 тн до 35 м3 6 от 4 000 ₽
Машина - до 10 тн до 37 м3 8 от 6 000 ₽
Машина - до 20 тн до 80 м3 13,5 от 10 500 ₽
Манипулятор до 5 тн 6 от 7 000 ₽
Манипулятор до 10 тн 8 от 13 000 ₽
Манипулятор до 20 тн 14 от 16 000 ₽
Наименование Характеристики Цена
Колонна железобетонная 2КО 5-60(60)-2

Длина, мм : 12900

Ширина, мм : 500

Высота, мм : 400

48 860
Колонна железобетонная 1КД 6-60-2,3

Длина, мм : 6510

Ширина, мм : 600

Высота, мм : 400

29 505
Колонна железобетонная 1КД 6-72-2,3-1

Длина, мм : 7760

Ширина, мм : 600

Высота, мм : 400

35 525
Колонна железобетонная 2КО 7-48(72)-1

Длина, мм : 13050

Ширина, мм : 700

Высота, мм : 400

67 665
Колонна железобетонная 2КО 7-60(60)-1

Длина, мм : 13050

Ширина, мм : 700

Высота, мм : 400

67 665
Колонна железобетонная 2КО 7-60(60)-7

Длина, мм : 13050

Ширина, мм : 700

Высота, мм : 400

67 665
Колонна железобетонная 2КО 6-60(72)-3

Длина, мм : 14100

Ширина, мм : 600

Высота, мм : 400

63 905
Колонна железобетонная 2КО 6-60(72)-4

Длина, мм : 14100

Ширина, мм : 600

Высота, мм : 400

63 905
Колонна железобетонная 2КО 6-60(84)-10

Длина, мм : 15300

Ширина, мм : 600

Высота, мм : 400

69 545
Колонна железобетонная 2КО 6-60(84)-6

Длина, мм : 15300

Ширина, мм : 600

Высота, мм : 400

69 545
Колонна железобетонная 2КО 8-60(84)-6

Длина, мм : 15450

Ширина, мм : 800

Высота, мм : 400

92 100
Колонна железобетонная 1КД 6-48-2,1

Длина, мм : 5310

Ширина, мм : 600

Высота, мм : 400

23 440
Колонна железобетонная 1КД 6-72-2,3

Длина, мм : 7710

Ширина, мм : 600

Высота, мм : 400

35 525
Колонна железобетонная 2КД 7-48(72)-3

Длина, мм : 13050

Ширина, мм : 700

Высота, мм : 400

67 665
Колонна железобетонная 2КД 8-72(72)-7

Длина, мм : 15450

Ширина, мм : 800

Высота, мм : 400

92 100
Колонна железобетонная 2КО 6-60(72)-5

Длина, мм : 14100

Ширина, мм : 600

Высота, мм : 400

63 905
Колонна железобетонная 2КО 6-60(84)-11

Длина, мм : 15300

Ширина, мм : 600

Высота, мм : 400

69 545
Колонна железобетонная 2КО 5-60(60)-7

Длина, мм : 12900

Ширина, мм : 500

Высота, мм : 400

48 860
Колонна железобетонная 2КО 6-72(72)-8

Длина, мм : 15300

Ширина, мм : 600

Высота, мм : 400

69 545
Колонна железобетонная 1КД 6-60-2,2-1

Длина, мм : 6560

Ширина, мм : 600

Высота, мм : 400

29 505
Колонна железобетонная 2КО 7-60(60)-4

Длина, мм : 13050

Ширина, мм : 700

Высота, мм : 400

67 665
Колонна железобетонная 2КД 8-80(72)-1

Длина, мм : 14250

Ширина, мм : 800

Высота, мм : 400

86 460
Колонна железобетонная 2КО 8-60(84)-10

Длина, мм : 15450

Ширина, мм : 800

Высота, мм : 400

92 100
Колонна железобетонная 2КД 8-80(72)-5

Длина, мм : 14250

Ширина, мм : 800

Высота, мм : 400

86 460
Колонна железобетонная 2КО 8-48(96)-2

Длина, мм : 15450

Ширина, мм : 800

Высота, мм : 400

92 100
Колонна железобетонная 2КО 6-60(84)-4

Длина, мм : 15300

Ширина, мм : 600

Высота, мм : 400

69 545
Колонна железобетонная 2КД 7-60(60)-3

Длина, мм : 13050

Ширина, мм : 700

Высота, мм : 400

67 665
Колонна железобетонная 2КО 7-60(60)-9

Длина, мм : 13050

Ширина, мм : 700

Высота, мм : 400

67 665
Колонна железобетонная 2КД 7-60(60)-9

Длина, мм : 13050

Ширина, мм : 700

Высота, мм : 400

67 665
Колонна железобетонная 2КО 6-72(72)-2

Длина, мм : 15300

Ширина, мм : 600

Высота, мм : 400

69 545
Никита Ильин
20.01.2025
Доставили вовремя, блоки ровные, без сколов. Монтаж прошёл без нареканий, ребята на участке хвалят.
Александр Шубин
20.01.2025
Тут нашлись все необходимые размеры, что очень упростило жизнь. Ребята выручили по срокам, задержек не было. Качество, в принципе, неплохое: арматура норм, плиты без трещин
Даниил Макаров
09.01.2025
У нас был крупный заказ на спортивный объект, требовались балки повышенной несущей способности. Здесь без проблем подобрали нужный класс бетона. Вопреки страхам, удалось уложиться в бюджет.
Данила Жданов
14.01.2025
Строим крупную автостоянку, требовались дорожные плиты с высоким запасом прочности. Тут нашли нужную марку, цена устроила. Доставили оперативно, разгрузка без проблем. Плиты ровные, стыкуются плотно, так что надеюсь прослужат долго
Гарантия качества
Заменим дефектный материал или вернём деньги
Условия возврата
Доставка и самовывоз
Вы можете заказать доставку по МСК и МО или оформить самовывоз с нашего склада в Москве
Условия доставки и самовывоза
Оптово и розничная продажа
Мы продаём товары как в розницу, так и оптом. В зависимости от объёмов заказа мы предоставляем клиентам персональные скидки

Выберите удобный способ оплаты

Оплата банковской картой
Наличными на объекте
Безналичный расчёт

Адреса

Режим работы складов: 8:00 - 21:00
Офис:
Москва, Акуловская улица, 2А
График работы офиса:
Ежедневно: 8:00 - 21:00
Номер телефона контактного центра:
+7 (495) 118-92-43
Почта для связи:
stroym@zbi-500.ru