Продажа ЖБИ в Москве и Московской области
+7 (495) 118-92-43
Ежедневно: 8:00 - 21:00
0 0

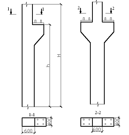
Колонна железобетонная 7к 108-4

Yandex.Market
  • В наличии 199 шт
    В среднем на нашем предприятии производится от 100 до 500 ЖБИ изделий в день.
  • Контроль качества на каждом этапе
    Строгое соблюдение пропорций ЖБИ изделий на предприятии является для нас очень важным аспектом.
  • Производство от 1 дня
60890 ₽

Колонна железобетонная 7к 108-4 из серии 1.424.1-5 предназначена для использования в строительстве зданий и сооружений. Она обладает высокой прочностью и устойчивостью к воздействию различных нагрузок, что делает ее идеальным выбором для создания надежных опорных конструкций. Колонна имеет стандартные размеры и габариты, что облегчает ее монтаж и интеграцию в проект строительства. Благодаря качественным материалам и тщательному производству, данная колонна обеспечит долговечность и надежность вашего строения.

Объём, м3 3.600
Масса, т 9
ГОСТ Серия 1.424.1-5
Категория Колонны железобетонные
Ширина, мм 800
Высота, мм 400
Длина, мм 11850
Способ доставки MAX длина груза, м Стоимость доставки
Машина - до 1,5 тн до 18 м3 4 от 2 200 ₽
Машина - до 2,5 тн до 32 м3 6 от 3 000 ₽
Машина - до 5 тн до 35 м3 6 от 4 000 ₽
Машина - до 10 тн до 37 м3 8 от 6 000 ₽
Машина - до 20 тн до 80 м3 13,5 от 10 500 ₽
Манипулятор до 5 тн 6 от 7 000 ₽
Манипулятор до 10 тн 8 от 13 000 ₽
Манипулятор до 20 тн 14 от 16 000 ₽
Наименование Характеристики Цена
Колонна железобетонная К 66-12 а

Длина, мм : 7400

Ширина, мм : 300

Высота, мм : 400

16 540
Колонна железобетонная К 84-5 с

Длина, мм : 9300

Ширина, мм : 400

Высота, мм : 400

26 840
Колонна железобетонная 1к 96-5 м3

Длина, мм : 10500

Ширина, мм : 400

Высота, мм : 400

31 575
Колонна железобетонная 3К 39

Длина, мм : 3900

Ширина, мм : 200

Высота, мм : 200

2 930
Колонна железобетонная 2К 132-4-1 м

Длина, мм : 14250

Ширина, мм : 800

Высота, мм : 400

85 705
Колонна железобетонная 3К 48

Длина, мм : 5600

Ширина, мм : 300

Высота, мм : 300

9 475
Колонна железобетонная 4К 108

Длина, мм : 11850

Ширина, мм : 400

Высота, мм : 700

62 360
Колонна железобетонная 3К 78

Длина, мм : 8700

Ширина, мм : 400

Высота, мм : 400

24 910
Колонна железобетонная 4К 57

Длина, мм : 5700

Ширина, мм : 300

Высота, мм : 300

9 640
Колонна железобетонная 5К 36

Длина, мм : 3600

Ширина, мм : 200

Высота, мм : 200

2 700
Колонна железобетонная 8К 60

Длина, мм : 6900

Ширина, мм : 400

Высота, мм : 500

24 700
Колонна железобетонная К 48-12

Длина, мм : 5600

Ширина, мм : 300

Высота, мм : 400

12 590
Колонна железобетонная К 36-1 а

Длина, мм : 4400

Ширина, мм : 300

Высота, мм : 300

7 435
Колонна железобетонная К 48-46 с

Длина, мм : 5700

Ширина, мм : 400

Высота, мм : 500

20 760
Колонна железобетонная К 66-18

Длина, мм : 7500

Ширина, мм : 400

Высота, мм : 400

21 480
Колонна железобетонная К 66-2 с

Длина, мм : 7400

Ширина, мм : 300

Высота, мм : 400

16 540
Колонна железобетонная К 66-20 а

Длина, мм : 7500

Ширина, мм : 400

Высота, мм : 400

21 480
Колонна железобетонная К 66-2 а

Длина, мм : 7400

Ширина, мм : 300

Высота, мм : 400

16 540
Колонна железобетонная К 66-21

Длина, мм : 7400

Ширина, мм : 300

Высота, мм : 400

16 540
Колонна железобетонная К 66-13

Длина, мм : 7400

Ширина, мм : 300

Высота, мм : 400

16 540
Колонна железобетонная К 72-16 с

Длина, мм : 8100

Ширина, мм : 400

Высота, мм : 400

23 190
Колонна железобетонная К 72-15

Длина, мм : 8100

Ширина, мм : 400

Высота, мм : 400

23 800
Колонна железобетонная К 66-29

Длина, мм : 7500

Ширина, мм : 400

Высота, мм : 400

21 480
Колонна железобетонная К 78-30 с

Длина, мм : 8700

Ширина, мм : 500

Высота, мм : 500

41 350
Колонна железобетонная К 78-43 с

Длина, мм : 8700

Ширина, мм : 500

Высота, мм : 500

41 350
Колонна железобетонная К 78-9

Длина, мм : 8700

Ширина, мм : 400

Высота, мм : 400

25 050
Колонна железобетонная К 84-39

Длина, мм : 8700

Ширина, мм : 500

Высота, мм : 500

40 880
Колонна железобетонная К 84-2 с

Длина, мм : 9300

Ширина, мм : 400

Высота, мм : 400

26 840
Колонна железобетонная К 84-7 а

Длина, мм : 9300

Ширина, мм : 400

Высота, мм : 400

26 840
Колонна железобетонная 1к 48-2 м2

Длина, мм : 5600

Ширина, мм : 400

Высота, мм : 400

9 765
Колонна железобетонная 1к 96-1 м3

Длина, мм : 10500

Ширина, мм : 400

Высота, мм : 400

31 575
Колонна железобетонная 1к 96-3 м3

Длина, мм : 10500

Ширина, мм : 400

Высота, мм : 400

31 575
Колонна железобетонная 3К 84

Длина, мм : 9300

Ширина, мм : 400

Высота, мм : 500

34 955
Колонна железобетонная 2К 69-4-1

Длина, мм : 6900

Ширина, мм : 400

Высота, мм : 400

20 750
Колонна железобетонная К 66-19 а

Длина, мм : 7500

Ширина, мм : 400

Высота, мм : 400

21 480
Колонна железобетонная К 66-18 с

Длина, мм : 7500

Ширина, мм : 400

Высота, мм : 400

21 480
Колонна железобетонная К 66-20

Длина, мм : 7500

Ширина, мм : 400

Высота, мм : 400

21 480
Колонна железобетонная К 66-15 с

Длина, мм : 7400

Ширина, мм : 300

Высота, мм : 400

16 540
Колонна железобетонная К 66-12 с

Длина, мм : 7400

Ширина, мм : 300

Высота, мм : 400

16 540
Колонна железобетонная К 66-4

Длина, мм : 7400

Ширина, мм : 300

Высота, мм : 400

16 540
Колонна железобетонная К 78-3 а

Длина, мм : 8700

Ширина, мм : 400

Высота, мм : 400

25 050
Колонна железобетонная К 84-14

Длина, мм : 9300

Ширина, мм : 400

Высота, мм : 500

34 955
Никита Ильин
20.01.2025
Доставили вовремя, блоки ровные, без сколов. Монтаж прошёл без нареканий, ребята на участке хвалят.
Александр Шубин
20.01.2025
Тут нашлись все необходимые размеры, что очень упростило жизнь. Ребята выручили по срокам, задержек не было. Качество, в принципе, неплохое: арматура норм, плиты без трещин
Даниил Макаров
09.01.2025
У нас был крупный заказ на спортивный объект, требовались балки повышенной несущей способности. Здесь без проблем подобрали нужный класс бетона. Вопреки страхам, удалось уложиться в бюджет.
Данила Жданов
14.01.2025
Строим крупную автостоянку, требовались дорожные плиты с высоким запасом прочности. Тут нашли нужную марку, цена устроила. Доставили оперативно, разгрузка без проблем. Плиты ровные, стыкуются плотно, так что надеюсь прослужат долго
Гарантия качества
Заменим дефектный материал или вернём деньги
Условия возврата
Доставка и самовывоз
Вы можете заказать доставку по МСК и МО или оформить самовывоз с нашего склада в Москве
Условия доставки и самовывоза
Оптово и розничная продажа
Мы продаём товары как в розницу, так и оптом. В зависимости от объёмов заказа мы предоставляем клиентам персональные скидки

Выберите удобный способ оплаты

Оплата банковской картой
Наличными на объекте
Безналичный расчёт

Адреса

Режим работы складов: 8:00 - 21:00
Офис:
Москва, Акуловская улица, 2А
График работы офиса:
Ежедневно: 8:00 - 21:00
Номер телефона контактного центра:
+7 (495) 118-92-43
Почта для связи:
stroym@zbi-500.ru